Quạt hướng trục tròn gián tiếp là gì?
Quạt hướng trục gián tiếp hay còn gọi là quạt tròn gián tiếp sản phẩm được thiết kế với động cơ bên ngoài, chạy song song với trục. Khi luồng gió đi qua cánh quạt hút sẽ không bị dính tạp chất như bụi, sơn vào động cơ, làm cho quạt bền hơn
Cấu tạo bằng thép cùng với nước sơn mịn sang trọng, cánh bằng nhôm đúc hoặc sắt. Động cơ độ bền cao như Teco thương hiệu Đài Loan, ATT nhập khẩu trực tiếp từ Singapore. Quạt hướng trục được phủ một lớp sơn mịn. Dây đai chất lượng cao an toàn. Độ ồn thấp, lưu lượng gió xa
Ứng dụng của quạt hướng trục tròn gián tiếp
Quạt hướng trục gián tiếp được dùng để nối ống gió. Hút các không khí thải, ô nhiễm, hút mùi hóa chất, bụi sơn một cách hiệu quả. Được dùng chủ yếu để hút bụi sơn trong phòng phun sơn cho xe hơi, xe tải. Hút bụi hóa chất trong nhà máy, nhà kho, bãi đỗ xe, có thể dùng hút khí nóng
Công ty Hiệp Phát là nhà cung cấp và gia công các loại quạt hướng trục gián tiếp và các loại quạt hút công nghiệp khác với rất nhiều mẫu mã cho khách hàng lựa chọn. Thời gian đặt hàng nhanh chóng từ 5 đến 6 ngày làm việc

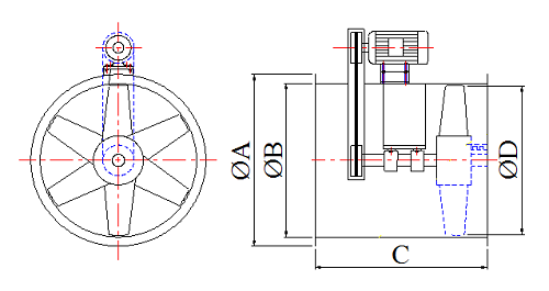
Bản vẻ quạt hướng trục tròn gián tiếp
Thông số kỹ thuật quạt hướng trục tròn gián tiếp
